* F - Flashover  
* W - Withstand
Voltage for 50% flashover:
PROBABILITY - VOLTAGE LEVEL CURVE
>
SIMULATOR
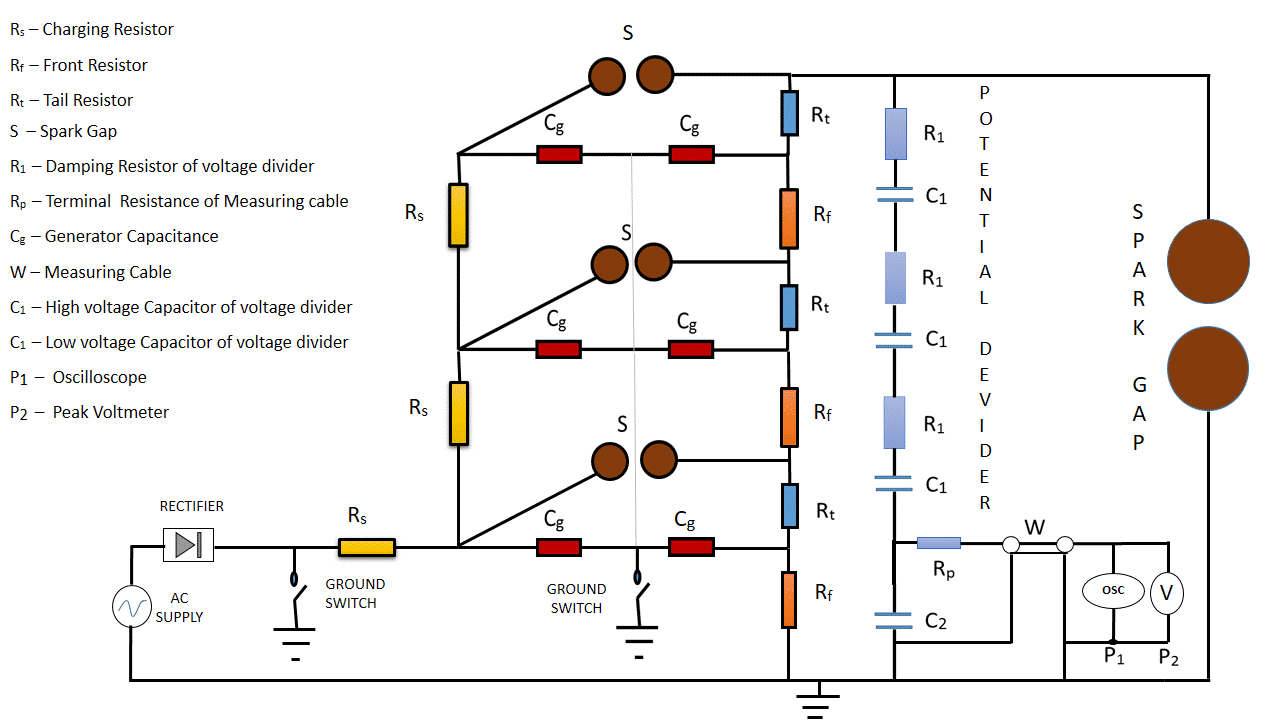
EQUIVALENT CIRCUIT DIAGRAM
INSTRUCTIONS
When the page gets loaded the value of Diameter of the sphere should be
choosen from the displayed dropdown box.
After choosing the value of sphere diameter wait for some time until the temperature, pressure and humidity are updated which are given in observation table
The sphere gap distance values gets populated in response to the
selected sphere diameter in another drop down and one of the value
should be selected.
The voltage level values per stage gets populated in response to the
selected sphere gap in another drop down and one of the value
should be selected.
Start experiment button is clicked to start experiment
The Trigger generator button is to be clicked to display the mechanism of IVG and the fact that Breakdown has occurred or not is displayed.
The fill table button is to be clicked to fill data into observation table.
Procedure 4,5,6 have to repeat 10 times for selected voltage level and The Break-down probability for each voltage level is calculated
as Number of pulses break-down divided by Total Number of pulses.
Steps 4,5 & 6 are repeated for all applied voltage values
to complete the Experiment.
The plot button will be enabled at the end of the experiment.
The button is to be clicked to display the variation of the Applied
Voltage versus the Breakdown probability.
The critical flash over voltage value (for given sphere diameter
and gap spacing) namely the voltage value for 50% probability of
breakdown is displayed prominently on the graph.